Monday, March 22, 2021

See? 29+ List About Whirlpool Cabrio Dryer Belt Diagram They Did not Let You in!

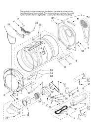
Whirlpool Cabrio Dryer Belt Diagram | When your cabrio dryer stops working, whirlpool offers troubleshooting tips online along with other product information. The loud bang leads me to believe that maybe your belt broke. Length is 95 belt, 4 ribs, 3 grooves. Whirlpool cabrio washer made a loud noise during the spin cycles it also was very noisy while washing ralph n. Cabrio dryer not heating up globalwebinarsco.

Cabrio dryer not heating up globalwebinarsco. Whirlpool cabrio washer made a loud noise during the spin cycles it also was very noisy while washing ralph n. The whirlpool cabrio service manual includes cabrio diagnostics, cabrio error codes, cabrio wire diagrams, and more!price: The belt inside the dryer allows the drum to tumble, drying laundry much more quickly than it would if the drum could not. This article i wrote will assist you to replace the belt how replace the belt on your whirlpool dryer your dryer is made by whirlpool and this is how to replace the belt.

How To Replace A Dryer Belt How Tos Diy
How To Replace A Dryer Belt How Tos Diy from diy.sndimg.com
They have a steam cycle used for refreshing clothing. Click on the diagram where you think your part is located. Wiring diagram whirlpool dryer wiring diagrams. Installed into our whirlpool cabrio dryer, fit wonderfully! The belt inside the dryer allows the drum to tumble, drying laundry much more quickly than it would if the drum could not. I printed it in pla and it has performed well even in a hot garage. This video is for reference only! Looking for the leading cabrio dryer on the market?

Shop for whirlpool cabrio dryer at best buy. This is a rough replacement handle for the whirlpool cabrio dryer handle. Whirlpool dryer manual, troubleshooting & repair guide our free whirlpool clothes dryer repair manual was designed to assist the novice related searches for whirlpool cabrio dryer diagram whirlpool dryer wiring diagram pdfwiring diagram for whirlpool dryerwhirlpool electric dryer. Whirlpool cabrio platinum dryer ✅. Whirlpool cabrio dryer service manual includes gas and electric cabrio dryer models. Learn what to check and what repair is needed. Fixing a squeaky dryer a whirlpool cabrio (wed6200sw1 )by replacing the belt tensioner pulley assembly (8547174v). 677818l dryer gas and electric repair wiring diagram for whirlpool. The whirlpool cabrio service manual includes cabrio diagnostics, cabrio error codes, cabrio wire diagrams, and more!price: How to replace heating element in whirlpool dryer tictravelco. Dryer repair kit,includes t dryer rear drum support roller kit, idler pulley, belt for. If these attempts fail, take the whirlpool cabrio platinum reviews clothes out. Cabrio dryer not heating up globalwebinarsco.

Model wtw6600sw3 whirlpool residential washers. Shop for whirlpool cabrio dryer at best buy. Beautiful whirlpool cabrio dryer wiring diagram. Dryer drive belt for whirlpool part number 8547157. Looking for the leading cabrio dryer on the market?

Whirlpool 3394652 Dryer Belt Length 79 1 8 Inch Appliancepartspros Com
Whirlpool 3394652 Dryer Belt Length 79 1 8 Inch Appliancepartspros Com from cdn.appliancepartspros.com
You can also browse the most common parts for wed7300x. If these attempts fail, take the whirlpool cabrio platinum reviews clothes out. The belt inside the dryer allows the drum to tumble, drying laundry much more quickly than it would if the drum could not. Error code pf flashing, pushed start and then it started to go for just a flash, a second, then nothing. Some dryers will completely stop working from a broken belt. Below is a video with step by step instructions for replacing the drive belt on a front loading whirlpool gas dryer. Free service call with repair. When your cabrio dryer stops working, whirlpool offers troubleshooting tips online along with other product information.

Fast whirlpool cabrio dryer repair in houston & katy, tx metro areas. Cabrio gas dryer problems, whirlpool cabrio parts diagram pdf. Whirlpool wp8547157 drum drive belt appliancepartspros with regard to whirlpool cabrio washer parts diagram image size 464 x 600 px and to view image details please click the image. • spring, tx • october 25, 2018. The loud bang leads me to believe that maybe your belt broke. Error code pf flashing, pushed start and then it started to go for just a flash, a second, then nothing. Some dryers will completely stop working from a broken belt. Whirlpool cabrio platinum dryer ✅. I declined as i purchased the extended warranty and just wanted to make them aware in case the belt broke and flew through a wall in my house. Free service call with repair. Whirlpool dryer no heat universalcityco. Wiring diagram whirlpool dryer wiring diagrams. Of interior dryer space, perfect for tossing in bulky bedding, towels.

However the original handle was quite mangled, so. Step by step instructions on how to replace a drive belt #wpw10006384. • spring, tx • october 25, 2018. Wiring diagram whirlpool dryer wiring diagrams. Free service call with repair.

How To Replace A Dryer Belt On Whirlpool Models 12 Steps With Pictures Instructables
How To Replace A Dryer Belt On Whirlpool Models 12 Steps With Pictures Instructables from content.instructables.com
They have a steam cycle used for refreshing clothing. The whirlpool cabrio service manual includes cabrio diagnostics, cabrio error codes, cabrio wire diagrams, and more!price: Step by step instructions on how to replace a drive belt #wpw10006384. They have a steam cycle used for refreshing clothing. This is a rough replacement handle for the whirlpool cabrio dryer handle. Whirlpool cabrio dryer manual whirlpool ® manuals can help you get the most out of your appliance, and provide important information about parts and accessories. I declined as i purchased the extended warranty and just wanted to make them aware in case the belt broke and flew through a wall in my house. Shop for whirlpool cabrio dryer at best buy.

Whirlpool cabrio dryer service manual includes gas and electric cabrio dryer models. Parts/whirlpool dryer parts/whirlpool parts e5243dq3/ whirlpool parts whirlpool cabrio washerdryer pictures. 253 view whirlpool dryer this book include whirlpool gas dryer manual conduct. Whirlpool dryer manual, troubleshooting & repair guide our free whirlpool clothes dryer repair manual was designed to assist the novice related searches for whirlpool cabrio dryer diagram whirlpool dryer wiring diagram pdfwiring diagram for whirlpool dryerwhirlpool electric dryer. Whirlpool cabrio platinum dryer ✅. Whirlpool cabrio dryer heating element wiring diagram. I printed it in pla and it has performed well even in a hot garage. Learn what to check and what repair is needed. Whirlpool dryer no heat universalcityco. The belt inside the dryer allows the drum to tumble, drying laundry much more quickly than it would if the drum could not. Below is a video with step by step instructions for replacing the drive belt on a front loading whirlpool gas dryer. Dryer repair kit,includes t dryer rear drum support roller kit, idler pulley, belt for. Model wtw6600sw3 whirlpool residential washers.

Whirlpool Cabrio Dryer Belt Diagram: Wiring diagram whirlpool dryer wiring diagrams.

Source: Whirlpool Cabrio Dryer Belt Diagram

Disqus Comments